Bonjour à tous.

Vous pouvez désormais, si l'envie vous en dit, soutenir SoundPixelLab - Vous retrouverez les informations sur ce lien en dessous
Soutenir SoundPixelLab

Merci à vous !

Distorsions entre sweep et rta.

Modérateur : SYLEX

Avatar du membre
Dagda
Fondateur
Messages : 1855
Enregistré le : 08 mars 2024, 17:16
Localisation : Est parisien (94)
Contact :

Re: Distorsions entre sweep et rta.

Message par Dagda »

Super on avance ;)

Alors, si tu utilise "use loopback as time référence" pourquoi ton impulsion est pile poil à 0 ?
Tu as déjà fait un "Estimate IR delay" ou tu as recalé à la main ?

Parce que même en mesurant très proche, tu as un petit délai et ton pic n'est pas à 0.
J'ai une mesure faite à 1cm d'un tweeter, le démarrage du pic est à 30µs et le 100% à 130µs.

Ensuite, caler les HP sur les impulsions n'est pas ce qu'il y a de plus précis d'après les informations que j'ai glaner (wakup2 confirmera).
Le mieux est vraiment de regarder la phase.
D'autant plus si tu fais ta mesure uniquement dans l'axe de l'aigu, obligatoirement ton grave sera décalé (il parcours plus de chemin ou moins selon sa position physique).

Regarde les vidéos, tout y es expliqué normalement :wink
Après, je comprends que ça peut-être un peu lourd de tout regarder d'un coup :nybbas

D.
 

POSTREACT(ions) SUMMARY

https://www.youtube.com/@SoundPixelLab
La tolérance atteindra un tel niveau que les personnes intelligentes seront interdites de toutes réflexions pour ne pas offenser les imbéciles.
Avatar du membre
Dagda
Fondateur
Messages : 1855
Enregistré le : 08 mars 2024, 17:16
Localisation : Est parisien (94)
Contact :

Re: Distorsions entre sweep et rta.

Message par Dagda »

Ah oui et au fait, c'est quoi l'enceinte ? Le setup de mesure ? .. ?
 

POSTREACT(ions) SUMMARY

https://www.youtube.com/@SoundPixelLab
La tolérance atteindra un tel niveau que les personnes intelligentes seront interdites de toutes réflexions pour ne pas offenser les imbéciles.
Avatar du membre
Kro
Fondateur
Messages : 838
Enregistré le : 08 mars 2024, 17:05
Localisation : Isère (38)
Contact :

Re: Distorsions entre sweep et rta.

Message par Kro »

GOULAS a écrit : 13 juin 2025, 11:12 Recul du micro d'environ 20cm toujours dans le même axe :
Tu mets probablement un peu plus en avant le phénomène d'effet de baffle et de diffraction.
 

POSTREACT(ions) SUMMARY

GOULAS
130 dB
Messages : 270
Enregistré le : 13 nov. 2024, 18:56

Re: Distorsions entre sweep et rta.

Message par GOULAS »

Dagda a écrit : 13 juin 2025, 22:27 Super on avance ;)

Alors, si tu utilise "use loopback as time référence" pourquoi ton impulsion est pile poil à 0 ?
Tu as déjà fait un "Estimate IR delay" ou tu as recalé à la main ?

Parce que même en mesurant très proche, tu as un petit délai et ton pic n'est pas à 0.
J'ai une mesure faite à 1cm d'un tweeter, le démarrage du pic est à 30µs et le 100% à 130µs.

Ensuite, caler les HP sur les impulsions n'est pas ce qu'il y a de plus précis d'après les informations que j'ai glaner (wakup2 confirmera).
Le mieux est vraiment de regarder la phase.
D'autant plus si tu fais ta mesure uniquement dans l'axe de l'aigu, obligatoirement ton grave sera décalé (il parcours plus de chemin ou moins selon sa position physique).

Regarde les vidéos, tout y es expliqué normalement :wink
Après, je comprends que ça peut-être un peu lourd de tout regarder d'un coup :nybbas

D.
Oui, j'ai coché "estimate ir delay" puis j'ai recalé à la main sur le 0ms car il y a une légère imprécision qu'on voit bien en zoomant. En "overlay", les impulsions ne sont pas à 0ms :
 

POSTREACT(ions) SUMMARY

Fichiers joints
Capture d’écran (1079).png
GOULAS
130 dB
Messages : 270
Enregistré le : 13 nov. 2024, 18:56

Re: Distorsions entre sweep et rta.

Message par GOULAS »

Ce sont des haut-parleurs que je mélange pour m'amuser. Il n'y a pas d'enceinte. Il s'agit d'un focal audiom 8 et d'un fostex ft66h. Quant au "set up", je ne comprends pas ta question...
 

POSTREACT(ions) SUMMARY

GOULAS
130 dB
Messages : 270
Enregistré le : 13 nov. 2024, 18:56

Re: Distorsions entre sweep et rta.

Message par GOULAS »

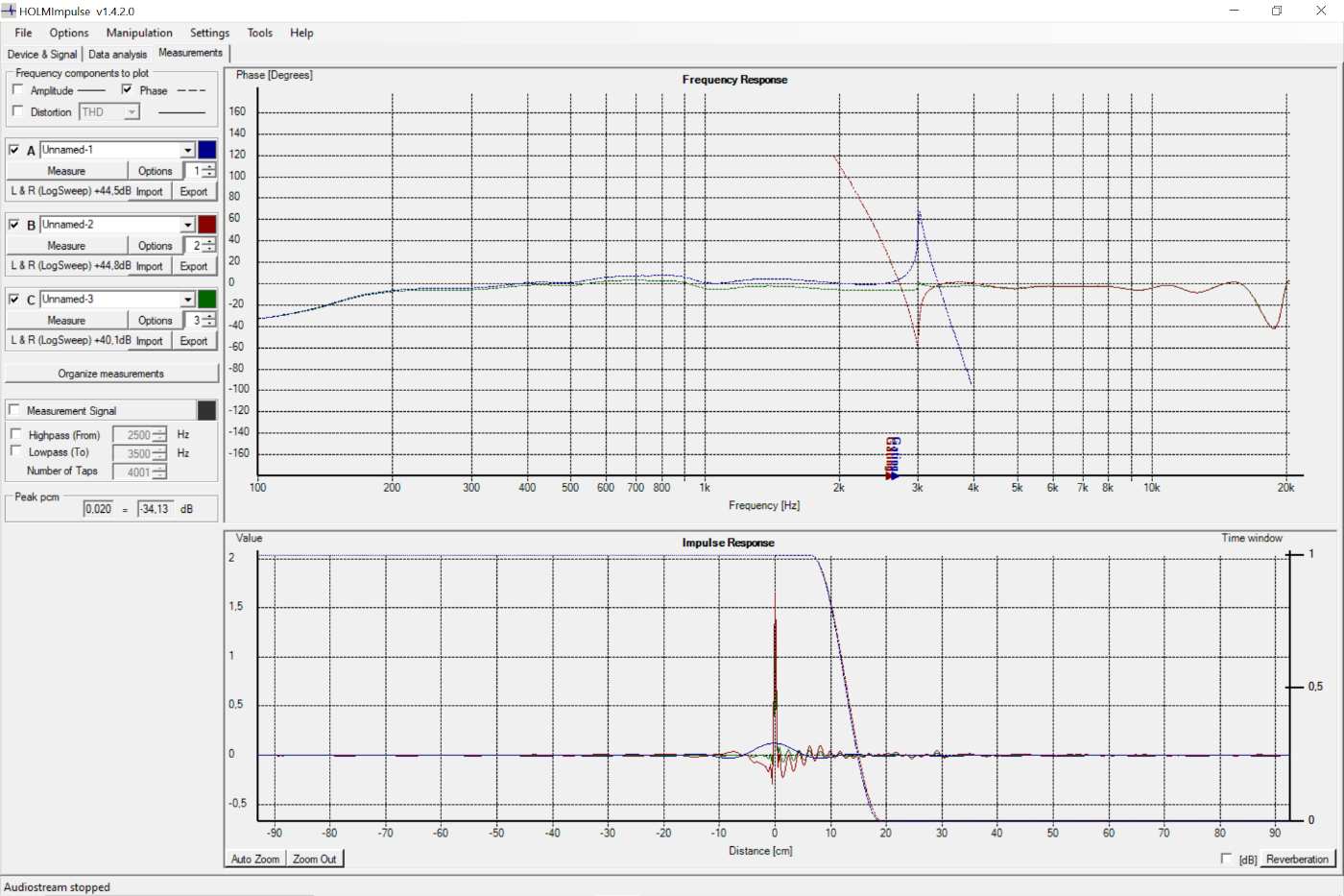
Je préfère holmimpulse où l'on voit tout sur l'écran :
 

POSTREACT(ions) SUMMARY

Fichiers joints
Capture d’écran (1082).png
Didier
130 dB
Messages : 273
Enregistré le : 18 mars 2024, 11:39
Localisation : 34

Re: Distorsions entre sweep et rta.

Message par Didier »

Hello
Je vous lis au sujet de cette phase et du délai
C’est un sujet qui est souvent revenu sur les forums
Y a quand même un truc qui me turlupine au sujet de ce que tu dis Dagda et qui est plein de sens
Si on fait le calage en face de l’élément le plus directif la distance entre le woofer et le tweeter ou la comp ne sera pas la même des lors qu’il y aura un décalage du point d’écoute précis
Mais je n’ai pas fait l’expérience; que ce passe t’il si on mesure en face du woofer après coup?
La phase est toujours ok? Vu que le délai ne l’est plus je me pose la question quand même…
Bon week-end les gars
 

POSTREACT(ions) SUMMARY

1: X-Shape x25/BMS 4540Nd - Wavecor WF223 (Fx 1200Hz) et 2 subs actifs
2: (dort dans le garage) Bi-Radial (1.4 / 18's ND3SN)- JBL 2020H et 2 subs actifs
Filtre: Nuoxun LM848RTS
Avatar du membre
Dagda
Fondateur
Messages : 1855
Enregistré le : 08 mars 2024, 17:16
Localisation : Est parisien (94)
Contact :

Re: Distorsions entre sweep et rta.

Message par Dagda »

A la suite d'un Estimate IR delay il n'y à pas à retoucher à la main !
Le but de cette action est de supprimer la distance micro / HP et d'avoir comme si on avait le micro pile sur le centre acoustique du HP.

D'autant plus si tu mesures tout les HP en étant dans l'axe de l'aigu uniquement.
L'impulsion ne sera pas forcément à 0.

Regarde ces impulsions.
ImpulseTwGr.jpg
Tu as en rouge le tweeter et en bleu le grave médium. La mesure a été faite dans l'axe du tweeter pour les deux.
Ils sont montés sur le même baffle.
A droite, c'est l'impulsion de la mesure. L'aigu arrive en premier puis le grave.
Le grave étant plus loin physiquement du micro, il met forcément plus de temps à arriver à celui-ci vis à vis du tweeter, donc l'impulsion est en retard par rapport à l'aigu.

Une fois le estimate IR delay fait sur l'aigu, j'applique le même délai sur le grave (voir les vidéos).
L'aigu a son début de pic qui vient se mettre à 0 (il y a une note dans REW à ce sujet).
Le grave ayant reçu le même délai, il se décale à l'identique mais il y a toujours un décalage entre les deux impulsions.

Grace au fenêtrage, j'exclu la pièce et je peux voir l'effet de baffle et la diffraction.
Grace à la correction de délai (suppression distance micro / HP) je peux visualiser la phase réelle du HP et lorsque je ferais mon filtrage, je pourrais caler mes phases (rotation et phase tracking par exemple) pour avoir une bonne fusion des HP à la fréquence de croisement.

Si tu filtres en actif à la volée c'est pareil. Il faut bien faire un contrôle à un moment, et donc, il faut appliquer là même méthodologie pour visualiser correctement tout ça.
GOULAS a écrit : 14 juin 2025, 11:04Ce sont des haut-parleurs que je mélange pour m'amuser. Il n'y a pas d'enceinte. Il s'agit d'un focal audiom 8 et d'un fostex ft66h. Quant au "set up", je ne comprends pas ta question...
Le grave n'est pas dans une boite ?
Le setup c'est savoir ce que tu as comme micro / carte son et comment tu fais les mesures (pièce, hauteur, distance, ...)

D.
 

POSTREACT(ions) SUMMARY

https://www.youtube.com/@SoundPixelLab
La tolérance atteindra un tel niveau que les personnes intelligentes seront interdites de toutes réflexions pour ne pas offenser les imbéciles.
Avatar du membre
Dagda
Fondateur
Messages : 1855
Enregistré le : 08 mars 2024, 17:16
Localisation : Est parisien (94)
Contact :

Re: Distorsions entre sweep et rta.

Message par Dagda »

Didier a écrit : 14 juin 2025, 11:36 Hello
Je vous lis au sujet de cette phase et du délai
C’est un sujet qui est souvent revenu sur les forums
Y a quand même un truc qui me turlupine au sujet de ce que tu dis Dagda et qui est plein de sens
Si on fait le calage en face de l’élément le plus directif la distance entre le woofer et le tweeter ou la comp ne sera pas la même des lors qu’il y aura un décalage du point d’écoute précis
Mais je n’ai pas fait l’expérience; que ce passe t’il si on mesure en face du woofer après coup?
La phase est toujours ok? Vu que le délai ne l’est plus je me pose la question quand même…
Bon week-end les gars
Quand tu fais une mise au point, tu prends le partie de la faire suivant un axe. L'aigu généralement, et parfois dans les 3 voies, un point médiant entre l'aigu et le médium.
Donc tu choisis cet axe pour faire toute ta mise au point.

Tu as forcément une "fenêtre" de tolérance si tu n'es pas dans l'axe choisi mais tu n'entendras rien de particulier si tu te décales un peu au niveau de la phase.

Et il faut prendre en compte le reste qui sera bien plus impactant qu'un petit décalage de phase ...
La pièce d'une part qui va bien venir mettre la sauce au point d'écoute, et surtout, la directivité verticale de l'enceinte si tu commences à te mettre vraiment hors axe sur le plan vertical !
Juste avec ces deux points, la phase est totalement masquée.

De plus, il faut aussi considérer que les problèmes de phases, au delà de 3 / 4 kHz, c'est plus vraiment un sujet (distance entre tes oreilles).

D.
 

POSTREACT(ions) SUMMARY

https://www.youtube.com/@SoundPixelLab
La tolérance atteindra un tel niveau que les personnes intelligentes seront interdites de toutes réflexions pour ne pas offenser les imbéciles.
Didier
130 dB
Messages : 273
Enregistré le : 18 mars 2024, 11:39
Localisation : 34

Re: Distorsions entre sweep et rta.

Message par Didier »

Merci pour ton point de vue que je trouve très instructif et qui permet de relativiser un peu quand même
Petite aparté, la directivité verticale a je trouve une incidence sur le ressenti à l’écoute.. mais c’est un autre débat
 

POSTREACT(ions) SUMMARY

1: X-Shape x25/BMS 4540Nd - Wavecor WF223 (Fx 1200Hz) et 2 subs actifs
2: (dort dans le garage) Bi-Radial (1.4 / 18's ND3SN)- JBL 2020H et 2 subs actifs
Filtre: Nuoxun LM848RTS
Avatar du membre
Dagda
Fondateur
Messages : 1855
Enregistré le : 08 mars 2024, 17:16
Localisation : Est parisien (94)
Contact :

Re: Distorsions entre sweep et rta.

Message par Dagda »

Il y a tellement de paramètres et de variables juste sur la conception de l'enceinte alors quand on ajoute en plus de ça tout l'impact de la pièce d'écoute et la distance d'écoute, alors là, c'est vite un très très gros bazar.

Après, il faut voir quelle est la situation (lieu, distance, enceinte, ...) qui fait qu'une directivité verticale soit si audible, ou que tu y soit si sensible.

D.
 

POSTREACT(ions) SUMMARY

https://www.youtube.com/@SoundPixelLab
La tolérance atteindra un tel niveau que les personnes intelligentes seront interdites de toutes réflexions pour ne pas offenser les imbéciles.
GOULAS
130 dB
Messages : 270
Enregistré le : 13 nov. 2024, 18:56

Re: Distorsions entre sweep et rta.

Message par GOULAS »

Merci Dagda. En effet, tu l'avais bien expliqué dans une vidéo. Et je crois aussi Sensunda dans une plus ancienne vidéo. Mais je me suis mélangé les pinceaux : je voulais parler de l'affichage de la courbe de phase avec tous les haut-parleurs. Si le calage n'est pas à 0, la courbe de phase est différente dans les hautes fréquences. Cependant, à la conception, si on constate un décalage entre les impulsions, il faudra bien les corriger quand c'est possible. On peut avoir un bon calage à la conception si les haut-parleurs ont leurs bobines alignées à la verticale. En passif, on peut décaler physiquement le haut-parleur. En actif, on peut jouer sur le délai. Alors j'aimerais bien savoir quand il faudrait jouer sur les délais : en champ proche ou au point d'écoute? Car si on recherche une phase reliée, les valeurs seront différentes selon qu'on mette le micro à proximité de l'enceinte ou au point d'écoute.
 

POSTREACT(ions) SUMMARY

GOULAS
130 dB
Messages : 270
Enregistré le : 13 nov. 2024, 18:56

Re: Distorsions entre sweep et rta.

Message par GOULAS »

J'ai un micro earthworks m30 et une carte son tascam us366. quant à la pièce, elle a un plafond en pente. Je place l'enceinte au centre comme tu l'as préconisé.
 

POSTREACT(ions) SUMMARY

Avatar du membre
Dagda
Fondateur
Messages : 1855
Enregistré le : 08 mars 2024, 17:16
Localisation : Est parisien (94)
Contact :

Re: Distorsions entre sweep et rta.

Message par Dagda »

GOULAS a écrit : 14 juin 2025, 21:17Merci Dagda. En effet, tu l'avais bien expliqué dans une vidéo. Et je crois aussi Sensunda dans une plus ancienne vidéo.
En réalité, c'est sa méthode que j'applique, je la formule différemment c'est tout :D
GOULAS a écrit : 14 juin 2025, 21:17Mais je me suis mélangé les pinceaux : je voulais parler de l'affichage de la courbe de phase avec tous les haut-parleurs. Si le calage n'est pas à 0, la courbe de phase est différente dans les hautes fréquences.
Quand tu mesures, même à 10 cm, il faut toujours supprimer la distance micro / HP ou micro / Enceinte.
Sinon tu mesures enceinte + pièce
GOULAS a écrit : 14 juin 2025, 21:17Cependant, à la conception, si on constate un décalage entre les impulsions, il faudra bien les corriger quand c'est possible.
Non.
Dans les enceintes que j'ai faite, j'ai des mises en phase nickel avec un sommation parfaite, alors que les impulsions sont décalées.
Là tu me mets le doute, donc je préfère dire que j'attends confirmation de mes camarades :wink
GOULAS a écrit : 14 juin 2025, 21:17On peut avoir un bon calage à la conception si les haut-parleurs ont leurs bobines alignées à la verticale.
Pourquoi la bobine ?
GOULAS a écrit : 14 juin 2025, 21:17En passif, on peut décaler physiquement le haut-parleur. En actif, on peut jouer sur le délai.
Tu peux aussi décaler physiquement le HP en filtrage actif ;)
Et tu peux aussi appliquer un délai en passif (ligne de retard).
Mais généralement, quand tu choisis bien ta fréquence de coupure et que tu filtres comme il faut, c'est assez rare de devoir jouer avec la position du HP ou une ligne de retard.
GOULAS a écrit : 14 juin 2025, 21:17 Alors j'aimerais bien savoir quand il faudrait jouer sur les délais : en champ proche ou au point d'écoute? Car si on recherche une phase reliée, les valeurs seront différentes selon qu'on mette le micro à proximité de l'enceinte ou au point d'écoute.
Le délai sert à caler les phases au croisement de tes deux filtres. Mais le délai que tu appliques s'ajuste avec les phases.
Enfin, tout est lié, mais ça sera plus précis avec les phases qu'avec les impulsions (de ce que j'ai retenu des échanges que j'ai eu avec wakup).

Mais au fait, tu n'as pas de boite pour ton HP ? C'est du montage en l'air ?

D.
 

POSTREACT(ions) SUMMARY

https://www.youtube.com/@SoundPixelLab
La tolérance atteindra un tel niveau que les personnes intelligentes seront interdites de toutes réflexions pour ne pas offenser les imbéciles.
wakup2
Fondateur - Pro
Messages : 339
Enregistré le : 11 mars 2024, 14:30

Re: Distorsions entre sweep et rta.

Message par wakup2 »

GOULAS a écrit : 14 juin 2025, 11:04 Ce sont des haut-parleurs que je mélange pour m'amuser. Il n'y a pas d'enceinte. Il s'agit d'un focal audiom 8 et d'un fostex ft66h. Quant au "set up", je ne comprends pas ta question...
C'est pourtant simple, il est important de bien comprendre comment tu procèdes, tu nous donne par exemple des distances de mesures, mais sans avoir d'info sur ce que tu met en œuvre impossible de te donner les bons conseils. En général les distance et méthode de mesures dépendent des limites des conditions de mesures et de la disposition des HP et de l'enceinte.
 

POSTREACT(ions) SUMMARY

wakup2
Fondateur - Pro
Messages : 339
Enregistré le : 11 mars 2024, 14:30

Re: Distorsions entre sweep et rta.

Message par wakup2 »

GOULAS a écrit : 14 juin 2025, 11:27 Je préfère holmimpulse où l'on voit tout sur l'écran :
C'est une préférence personnelle qui n'appartient qu'a toi, REW permet beaucoup plus de choses maintenant.
 

POSTREACT(ions) SUMMARY

wakup2
Fondateur - Pro
Messages : 339
Enregistré le : 11 mars 2024, 14:30

Re: Distorsions entre sweep et rta.

Message par wakup2 »

GOULAS a écrit : 14 juin 2025, 10:58 Oui, j'ai coché "estimate ir delay" puis j'ai recalé à la main sur le 0ms car il y a une légère imprécision qu'on voit bien en zoomant. En "overlay", les impulsions ne sont pas à 0ms :
Si elles le sont bien sur, tu as une mauvaise lecture des impulsions. Dans la réponse sur Melaudia que tu as posté ici, on t'as expliqué que la référence est en pied d'impulsion, c'est a peu prêt ca sauf que c'est bien imprécis, le mieux c'est quand même de regarder directement la phase ! qui découle bien sur de l'impulsion, simple et bien plus efficace.
 

POSTREACT(ions) SUMMARY

wakup2
Fondateur - Pro
Messages : 339
Enregistré le : 11 mars 2024, 14:30

Re: Distorsions entre sweep et rta.

Message par wakup2 »

Le bon allignement et calage en phase c'est placer le lobe dans l'axe souhaité.
Ca dépend de la position d'écoute et de la position de l'enceinte, il suffit de mesurer le long de cet axe, formant une bissectrice avec l'axe des HP.
n160fig2.png
n160fig2.png (29.66 Kio) Vu 11355 fois
 

POSTREACT(ions) SUMMARY

JIM
130 dB
Messages : 815
Enregistré le : 22 mars 2024, 00:10

Re: Distorsions entre sweep et rta.

Message par JIM »

wakup2 a écrit : 13 juin 2025, 19:48
JIM a écrit : 12 juin 2025, 14:55 Peux-tu préciser ?

Sauf à bouger le micro trop rapidement, je n'ai pas noté de problème de précision en MMM.
Ce n'est pas une question d'erreur de mesure, c'est plutôt le fait de se baser uniquement sur une moyenne spatiale qui peu conduire a faire des erreurs. Dans certains cas la moyenne spatiale a tendance a nettement minimiser des défaut qui sont pourtant nettement audible, perso je pratique la MMM très régulièrement mais je ne fait pas de correction sur cette seule base.
On est d'accord dans ce cas. Se baser sur sur une seule mesure est toujours source d'erreur, quelque soit le type de mesure d'ailleurs.
 

POSTREACT(ions) SUMMARY

GOULAS
130 dB
Messages : 270
Enregistré le : 13 nov. 2024, 18:56

Re: Distorsions entre sweep et rta.

Message par GOULAS »

Dagda, j'ai toujours lu qu'il fallait aligner les impulsions. Bon, c'était avant. J'ai même lu que suivant le filtre, il fallait aligner soit les pics (filtrage actif), soit les pieds (filtrage passif)...Pourquoi aligner les bobines à la verticale? C'est encore ce que j'ai lu. Quant aux haut-parleurs, je les mesure dans une boîte. Le mieux serait peut-être une planche bien large pour éviter ces effets de bords et diffractions?
 

POSTREACT(ions) SUMMARY

Répondre